

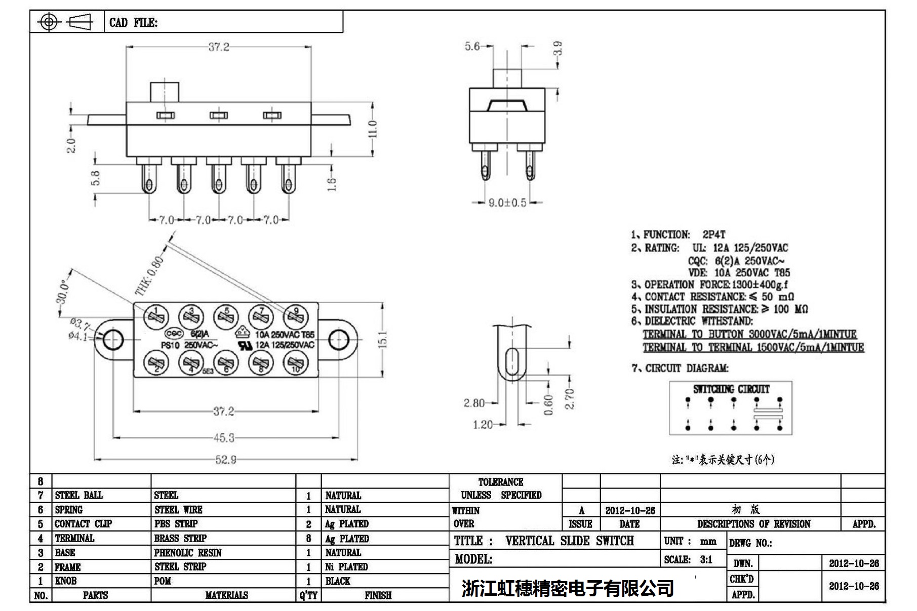
電源滑動開關/電源撥動開關 /技術參數
1、功能:2P2
T2、額定值:
U:12A 125/250VACcQc: 6(2)A 250VAC
ENEC VDE:10A 250VAC u T85
3、操作力1200士400g.f4、接觸電阻:≤50mn5、絕緣電阻≥100 Ma
6、DIELECTRIC 4ITHSTAND:端子至按鈕_3000VAC/5mA/1MINTUB
TERMTINAL.TOTERMINAL150OVAC/5mA/1MINTUE
POWER SLIDE SWITCH / POWER SLIDE SWITCH / TECHNICAL PARAMETERS
1、FUNCTION: 2P2T2、RATING:
U:12A 125/250VACcQc: 6(2)A 250VAc
ENEC VDE:10A 250VAC u T85
3、OPBRATION FORCE1200士400g.f4、CONTACT RESISTANCE:≤50mn5、INSUL.ATION RESISTANCE ≥100 Ma
6、DIELECTRIC 4ITHSTAND: TERMINAL TO BUTTON_3000VAC/5mA/1MINTUB
TERMTINAL.TOTERMINAL150OVAC/5mA/1MINTUE